支路電流法
支路電流法是在計算復雜電路的各種方法中的一種最基本的方法。它通過應用基爾霍夫電流定律和電壓定律分別對結點和回路列出所需要的方程組,而后解出各未知支路電流
支路分析法是基本的電路方程法,有支路電流法和支路電壓法,本節僅介紹支路電流法。
支路電流法是以電路中各支路電流為獨立變量,應用KVL和KCL以及元件的VCR列出
電路的方程組求解獨立變量的方法。應用支路電流法分析計算電路的一般步驟如
下。
(1)選擇各支路電流的參考方向。
(2)選定n?1個獨立結點,列寫其KCL方程。
(3)選定b?(n?1)個回路,標出回路的繞行方向,列寫KVL方程。
(4)聯立求解上述方程,得到b個支路電流。
(5)求解其他待求量。
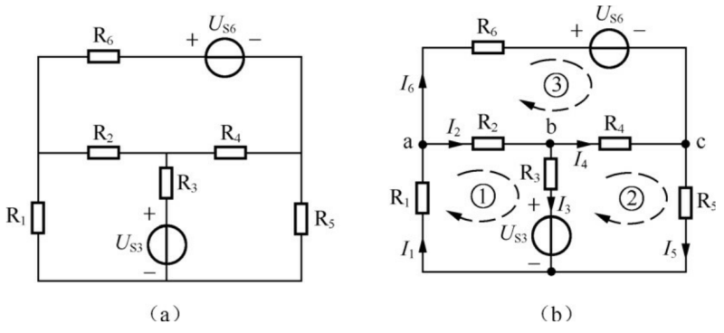
例4.1 應用支路電流法列寫圖4-1(a)所示電路的方程。圖4-1 例4.1圖

解:首先選擇各支路電流的參考方向、網孔回路及繞行方向如圖4-1(b)所示。列出結點a、b、c的KCL方程:
根據KVL,對回路1、2、3列寫電壓方程:聯立并求解上述6個方程即可得到各支路電流。從例4.1可見,應用支路電流法求解b條支路的支路電流,需要解b個方程的方程組,
當電路的支路數比較多、結構比較復雜時,意味著所列寫的b元一次方程組的求解過程很繁瑣,計算量很大,這就是支路電流法的缺點。
支路電流法要求b個支路電壓均能以支路電流表示,當一條支路僅含電流源而又不存在與之并聯的電阻時,該支路電壓就無法用支路電流表示。這種無并聯電阻的電流源稱為無伴電流源。當電路中存在這類支路時,必須加以處理后才能應用支路電流法。
選擇小銘打樣SMT打樣貼片加工的理由9大理由!
1、免鋼網費、開機費、工程費,別人收費我們免費;
2、打樣客戶免費送電容電阻,省去找料時間;
3 、打樣24小時交貨 ,加急8小時交貨,全網打樣交期屬最快;
4、9道品質檢測管控系統,品質精錘細煉,有保障;
5、2000平方無塵車間,20臺全新進口雅馬哈設備,實力工廠
6、累積合作30000+研發打樣,小批量打樣客戶見證;
7、在線視頻直播,千里之外看小銘打樣現場生產車間;
8、一片起貼片最低88元收費,全國順豐包郵;
9、一對一專員服務,網站實時查看產品生產進度;